D
DJ DaZe Flame
Bekanntes Mitglied
- Registriert
- 08.12.2002
- Beiträge
- 131
- Reaktionspunkte
- 0
- Ort
- Gelnhausen
hi,
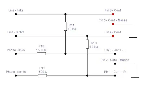
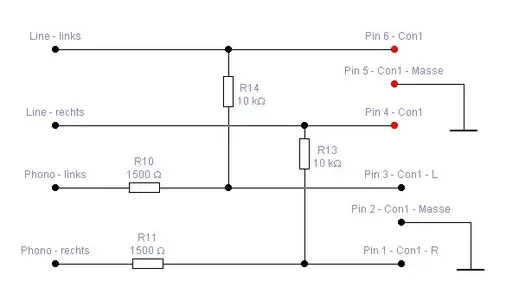
man kann ja bei jedem (fast jedem) mischpult von line auf phono schalten. bei meinem sind diese schaltetr nicht dran!!
was mich aber verwundert, hinten sind line und phono ausgänge. das is da swas mich verwundert. wenn ich jetzt an ein line in ein cd player anschleisse und vinyl auf selbsem ch auf phono laufen lasse dann läuft ebides gleichzeitig (man hört es auch so). eigentlich cool aber auch schei....
könnt ihr mir sagen wie ich das amchen kann das ich von line auf phono wechsel? irgendwie muss das doch gehn, oder?
thx für alle antworten
daze
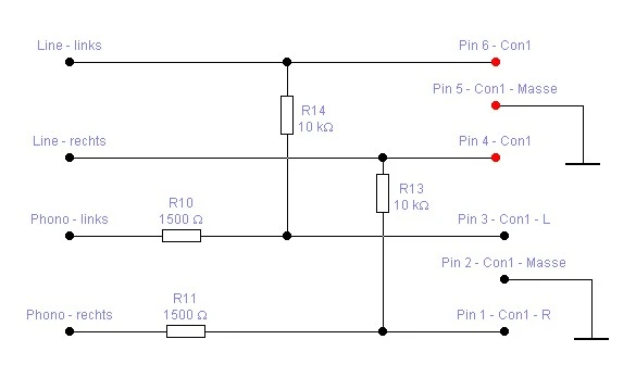
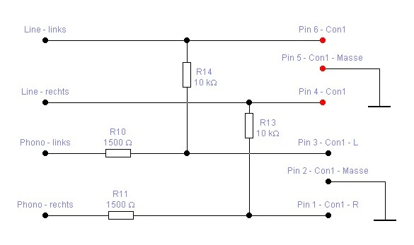
man kann ja bei jedem (fast jedem) mischpult von line auf phono schalten. bei meinem sind diese schaltetr nicht dran!!
was mich aber verwundert, hinten sind line und phono ausgänge. das is da swas mich verwundert. wenn ich jetzt an ein line in ein cd player anschleisse und vinyl auf selbsem ch auf phono laufen lasse dann läuft ebides gleichzeitig (man hört es auch so). eigentlich cool aber auch schei....
könnt ihr mir sagen wie ich das amchen kann das ich von line auf phono wechsel? irgendwie muss das doch gehn, oder?
thx für alle antworten
daze
