Serato Scratch LIVE - Stammtisch

  • #10.576
Kurze Frage:

Kann man Serato nur mit dem Serato Interface nutzten? Oder auch mit einem anderen?
 

  • #10.577
wer kann mir das rane serato denn empfehlen, bin in der hin sicht was DJ software angeht noch immer beim BPM player der spielt ja mehr oder weniger nur ab. Aber zum mix nutz ich dann halt cd oder vinyl
 
  • #10.578
Kurze Frage:

Kann man Serato nur mit dem Serato Interface nutzten? Oder auch mit einem anderen?

Hi

Serato hat erst 2 oder mehr Decks sobald das Interface dranhängt. Dieses dient gleichzeitig als Kopierschutz Dongle, bzw. gibt es die Software eh zum Download auf der Hompage. Mixen geht dann erst mit dem Interace.

Gruß MISZOU
 

  • #10.579
Hi

ich kann deinen Gedanken bestätigen, zum einen hab ich es auch so verwendet, zum anderen es steht auch im von mir verlinkten Manual zur SL1 Box so drinnen.
Innen +, Außen -

Ob eine Schutzbeschaltung besteht weiß ich leider auch nicht, und testen will ich es auch nicht:p. Man hätte auch einen Brückengleichrichter spendieren können dann würden solche fragen gar nicht erst auftauchen. Aber wahrscheinlich ist der Preis so knallhart kalkuliert das dieses teure Bauteile einfach den Rahmen gesprengt hätte :D

Gruß MISZOU

Brückengleichrichter um eine Gleichspannung in Gleichspannung zu wandeln oder was? :rolleyes:

Hauptsache mal nen Wort aus der E-Technik in den raum geworfen ... :rolleyes:
 
  • #10.580
wer kann mir das rane serato denn empfehlen, bin in der hin sicht was DJ software angeht noch immer beim BPM player der spielt ja mehr oder weniger nur ab. Aber zum mix nutz ich dann halt cd oder vinyl

ähm, was für ne frage. SSL können wir SSL user dir wohl alle empfehlen. solange du denn selbst mixen kannst. SSL hat kein sync wie fast alle anderen.
 
  • #10.581
nein wills schon zum selber mixen nutzen sync find ich ned so gut. Auserdem wäre das ja zu einfach. :-)

Kann man denn dann auch noch normale cd´s zwischen durch abspielen oder gehts dann nur noch per software ?
 
  • #10.582
Kannst natürlich auch normale CDs spielen.
 
  • #10.583
Hi

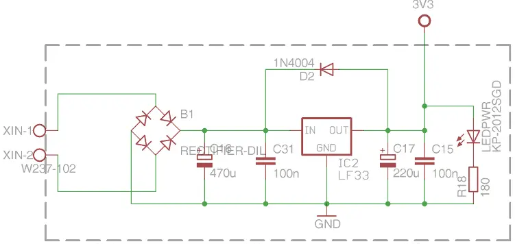
@ Kaype es geht nicht darum eine Gleichspannung in eine Gleichspannung zu wandeln.
Ob du jetzt 50mal pro Sekunde eine Spannung die wechselt reinschickst und danach eine ungeglätte Gleichspannung rausbekommst oder 1 mal pro Jahr das Netzteil falsch rum reinsteckst kommt auf das gleiche raus. Nur muss du hier nichts mehr glätten, du verlierst halt ein bischen Spannung. Hast allerdings den Vorteil gegenüber der Schutzdiode das es immer geht.

Hier mal ein kleines Bildchen, wenn du es nicht glaubst bau es auf ein Steckbrett auf und teste selber, funktioniert einwandfrei. Nur muss man darauf achten, falls man ein Metallgehäuse zur Abschirmung verwendet und dieses auf Ground liegt, muss die Buchse für das Steckernetzteil natürlich isoliert sein.

Gruß MISZOU
 

Anhänge

  • Brückengleichrichter_als_Verpolunsschutz.webp
    Brückengleichrichter_als_Verpolunsschutz.webp
    11,5 KB · Aufrufe: 174
  • #10.584
nein wills schon zum selber mixen nutzen sync find ich ned so gut. Auserdem wäre das ja zu einfach. :-)

Kann man denn dann auch noch normale cd´s zwischen durch abspielen oder gehts dann nur noch per software ?

je nachdem, ob du mit cd oder vinyl steuerst, kannst du ein normales dieser medien via thru durchschleifen. also ja
 
  • #10.585
aber geht nicht gleichzeitig oder was, das heist ich muss dann immer die chinch kabel um ändern oder an nem 4 kanal mischer noch zwei kanäle mit thru belegen und zwei über serato belegen?
 
  • #10.586
ich muss dann immer die chinch kabel um ändern oder an nem 4 kanal mischer noch zwei kanäle mit thru belegen und zwei über serato belegen?

bei der SL1 ja. die SL3 hat pro input einen output. du schaltest dann in der software auf thru. es reichen für bis zu 3 control bzw reale decks genauso viele inputs am mixer. die SL1 braucht wegen der physischen thru logik und nicht vorhandenen hardware preamps je 1 für jedes SL deck und auch bei thru wunsch noch je eins.
 
  • #10.587
hallo hab scratch live und benutze ein kontrol x1 um die software zu bedienen. kann ich noch ein anderen midi controller benuzen um die software zu bedienen? also kann man scratch live mit 2 oder 3 midi controllers bedienen??
mfg.
 
  • #10.588
Hi

ja das geht.

Gruß MISZOU
 
  • #10.589
danke für die schnelle Antwort
brauche ich da vll. ne software oder so ?
ich hab midi pipe und controller editor
mfg-
 
  • #10.590
das kommt immer auf den controller an.
beim x1 hast du ja den controller editor.
und midipipe ist ja quasi nur eine ersatzsoftware, damit die buttons am x1 leuchten.
den dicer z.b. kannst einfach so anstöpseln. da brauchts dann keine soft.
wird aber erst ab der version 2.1 unterstützt.
 
  • #10.591
Hi

für die reine Kontrolle (Hardware Taster/Poti => steuert SSL Taster/Poti...) von SSL brauchst theoretisch* du keine Zusatzsoftware.

*Außer dein Kontroller schickt was was SSL nicht versteht, oder du willst auch einen LED zum leuchten bringen oder du willst Messages ändern...


Was willst du denn für einen verwenden?


Gruß MISZOU
 
Zuletzt bearbeitet:
  • #10.592
ja vll. noch ein x1 und novation nocturn.
oder eventuell nur der nocturn.
mfg.
 
  • #10.593
ist es eigentlich möglich ohne hardware das serato zu starten und musik abzuspielen?
 
  • #10.594
Na Sicher - aller dings nur mit einem Deck ... das ganze läuft dann wie Itunes und alle anderen Player auch!
 
  • #10.595
Na Sicher - aller dings nur mit einem Deck ... das ganze läuft dann wie Itunes und alle anderen Player auch!

Aber geht nicht mit zwei decks ? wollte das nämlich mal ausprobieren aber dann hat sich das ja erledigt! Da ich mir das nämlich zulegen möchte hatte ich mal vor die software bei rane runter zu laden um dann mal zu schauen wie das so alles geht.
 
  • #10.596
nö ohne das interface kannst du nicht viel über die Angelegenheit äußern ^^
Außer Farbe und Form :d

grüße
 
  • #10.597
Aber geht nicht mit zwei decks ? wollte das nämlich mal ausprobieren aber dann hat sich das ja erledigt! Da ich mir das nämlich zulegen möchte hatte ich mal vor die software bei rane runter zu laden um dann mal zu schauen wie das so alles geht.

und dass rane bei funktionaler gratis SW und anderer hardware genau NULL verdienen würde hast du dir auch schon erschlossen?
 
  • #10.598
ist es sinnvoll ssl 3 mit einem audio dj 8 zu nutzen und die beiliegende soundkarte nicht zu nutzen? macht das sinn - hat das jemand von euch so oder bringt die audio dj 8 nur etwas bei traktor scratch etc.?

Grüße
 
  • #10.599
ist es sinnvoll ssl 3 mit einem audio dj 8 zu nutzen und die beiliegende soundkarte nicht zu nutzen? macht das sinn - hat das jemand von euch so oder bringt die audio dj 8 nur etwas bei traktor scratch etc.?

Grüße

Das macht schon keinen Sinn, da SSL nur mit der SL3 Box funktioniert.
Andersrum ebenso, Audio8DJ braucht man zwingend für Traktor Scratch (Pro).
Soweit die wenig bekannten Fakten. :)
Zudem kommt immer alles im Paket, SL3 kostet um die 800 Schleifen, ne Audio8 würde nochmal mit etwa 370 zu Buche schlagen.
Dafür ist der Soundunterschied zwischen beiden zu gering. :) Im Gegensatz zur SL1 Box, die wirklich dünner als die A8 klingt.
 
  • #10.600
Das macht schon keinen Sinn, da SSL nur mit der SL3 Box funktioniert.
Andersrum ebenso, Audio8DJ braucht man zwingend für Traktor Scratch (Pro).
Soweit die wenig bekannten Fakten. :)
Zudem kommt immer alles im Paket, SL3 kostet um die 800 Schleifen, ne Audio8 würde nochmal mit etwa 370 zu Buche schlagen.
Dafür ist der Soundunterschied zwischen beiden zu gering. :) Im Gegensatz zur SL1 Box, die wirklich dünner als die A8 klingt.

danke für die infos
gibt es wirklich große unterschiede zwischen sl1 und sl3? oder wäre sl2 die beste alternative?
 

Ähnliche Themen

DJ Moneypulation
Antworten
0
Aufrufe
2K
DJ Moneypulation
DJ Moneypulation
J
Antworten
0
Aufrufe
2K
jericho85
J
Acoustic Armageddon
Antworten
0
Aufrufe
1K
Acoustic Armageddon
Acoustic Armageddon
J
Antworten
0
Aufrufe
1K
jericho85
J

Affiliate Links
Hercules
DJ Control Inpulse 500
245 €
Jetzt kaufen
Zurück
Oben